Produto REM-103S10S-5C13S12M-H1181
Codificador rotativo absoluto - multiturnos
Linha Industrial
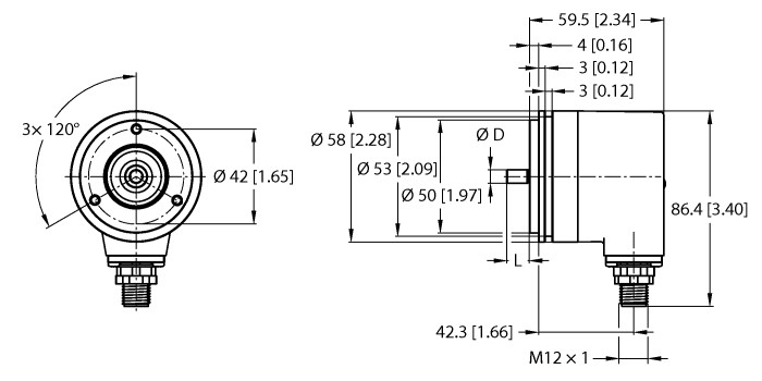
Número do pedido: 100011388- Flange Synchro, Ø 58 mm
- Eixo sólido, Ø 10 mm x 20 mm
- Princípio de medição ótica
- Material do eixo: aço inoxidável
- Grau de proteção IP67 na estrutura e no lado do eixo
- ‐40…+85 °C
- Máx. 8000 rpm (operação contínua 5000 rpm)
- 10…30 VCC
- SSI binário
- Conector macho, M12 x 1, 8 pinos
- Turno único, resolução de 13 bits
- Multiturno, resolução de 12 bits

Dados gerais
| EAN | 4047101548006 |
| eCl@ss-Code (V5.1.4): | 27270501 -/- Codificador, absoluto |
| Número da tarifa aduaneira | 90314990000 |
| País de origem | DE |
| Peso | 497 g |
Dados técnicos
| Linha do codificador | Industrial-Line |
| Tecnologia | fotoelétrico |
| Tipo saída | Multiturnos absoluto |
| Tipo de eixo | Eixo maciço |
| Diâmetro do eixo D (mm) | 10 |
| Diâmetro da flange | Ø 58 mm |
| Tipo da flange | Flange Synchro |
| Tensão operacional | 10…30 VCC |
| Protocolo de comunicação | SSi |
| Conexão elétrica | Conector, M12 × 1 |
| Material do corpo | Zinco fundido |
| Temperatura ambiente | -40…+85 °C |
| Eixo da classe de proteção | IP67 |
| Grau de proteção | IP67 |

